Стенд для чистки инжекторов
Toyota Premio Premio I (T24)
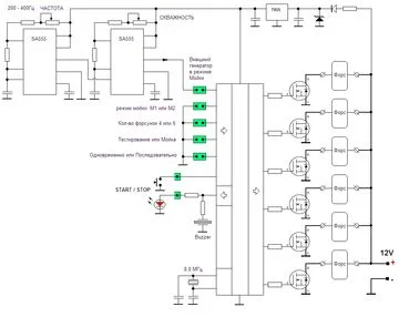
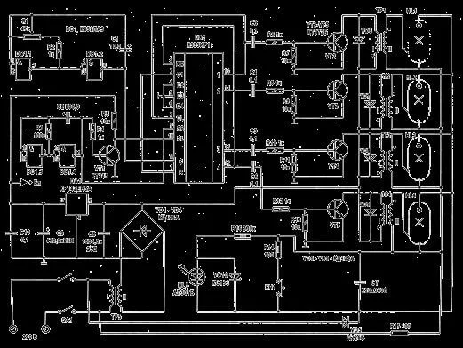
Нужна схема управления инжекторами, имитирующая работу двс. Описание есть, а дальше стопор. Генератор пр-имульсов с регул. частотой lm358. 10-тичный счётчик на cd4017. n-канальные mosfetы irf520. Стабилизатор напряжения 7508. Мягкая чистка форсунок. Видео на ютюбе, там он самое.
4 Ответы
0
Схема классическая. Время задающие цепочки нужно уточнять, где то на работе есть у меня 
Выходной каскад на полевике, тоже ничего особенного.
Самым сложным было найти мерные стаканчики.
задан 11 лет назад
0
Зачем так усложнять((, у меня на 555 таймере с регулировкой частоты и скважности, на выходе полевик, все форсунки в параллель. На кой вам на каждую форсу свой ключ еще, и счетчик десятичный, и стабилизатор.
задан 11 лет назад
0

задан 11 лет назад
0

задан 11 лет назад
Похожие материалы
Долго греется и дымит Тойота Премио
Qa
1.5k
5
Замена натяжителя цепи Тойота Премио
Видео
3.5k
1
0
Отсечка после 4000 на прогретом двигателе Тойота Премио
Qa
410
2
Замена салонного фильтра Toyota Allion/Premio
Видео
8.9k
5
0
Не заводится в морозы Тойота Премио
Qa
1.5k
2
Как заменить цепь ГРМ Тойота Премио?
Qa
2.3k
3