Отказал вентилятор охлаждения радиатора двигателя на Шаране
Volkswagen Sharan Sharan I
Резко перегрелись. Аж лопнула трубка с ОЖ. Шаран, 1997 год, 2.8, АКПП, кондей. Подавал на клеммы питание. Вентилятор не крутит. Руками-легко. Как снять и есть ли возможность его реанимировать? Спасибо.
2 Ответы
1
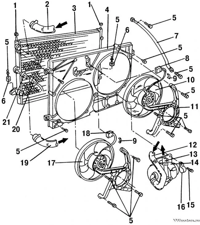
Как заменить, немного описано тут. По поводу ремонта, нужно смотреть по месту, чаще всего не ремонтируется.




задан 7 лет назад
Спасибо!!! А то я гуглить замучился. За картинки, отдельное спасибо!!!!!
–
Игорь Чебоксары
7 лет назад
1
Как и в любом двигателе постоянного тока в вашем есть щетки-они наверное стерлись или отпали их поводки, вскройте его и посмотрите, может и получиться реанимировать.
задан 7 лет назад
Похожие материалы
Снятие радиатора ОЖ на Volkswagen Sharan 1.9 TDi 1Z
Руководства
26.2k
35
1
Вентилятор охлаждения включается при включении печки Фольксваген Шаран
Qa
1.2k
1
Плохо охлаждает кондиционер Фольксваген Шаран
Qa
570
1
Не работает вентилятор охлаждения ДВС Фольксваген Шаран
Qa
1.4k
3
На скорости печка дует холодный воздух в Фольксваген Шаран
Qa
3.3k
2
Не включаются вентиляторы радиатора выше 100°С в Шаран 2.8 бензин
Qa
2.5k
1