Всё работает искра отсутствует в Пассат Б3
Volkswagen Passat Passat B3
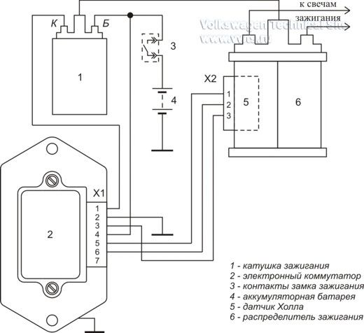
У меня два В-3. На варианте, двигатель АВS, пропала искра. Методом народного тыка (перестановкой с нерабочей машины на рабочую) проверил все, что так или иначе участвует в искро образовании. Всё работает. Искра отсутствует. В каком направлении копать?
У меня нет датчика коленвала. При включении зажигания всё что должно на монике клацать-клацает, на центральном проводе искра есть, подсоединял новый замок зажигания-эффект тот же. Единственное что-мозги не переставлял. Т.к. не знаю подойдут ли с двигателя PR
–
[email protected]
5 лет назад
1 Ответы
0
Если запускается двигатель и троит, значит искра есть, только может не на всех цилиндрах. Проверьте по каждому цилиндру, проблема может быть в распределителе зажигания, в вв проводах. Если искра есть по всем цилиндрам, то проверьте компрессию в цилиндрах, нет ли подсоса в цилиндр.
Датчика коленвала нет, но есть датчик холла.
задан 4 года назад
Похожие материалы
Замена сальника трамблера на Фольсваген с двигателем PL, KR
Руководства
13.2k
8
0
При запуске на холодную надо подгазовывать в Фольксваген Пассат Б3
Qa
1.7k
1
Не заводится на горячую Пассат Б3
Qa
13k
4
При небольшой подаче газа заводится лучше, но на горячую плохо Фольксваген Пассат Б3
Qa
811
2
На горячую плохо заводится Фольксваген Пассат Б3
Qa
10.4k
5
Глохнет Фольксваген Пассат Б3, движок пф 1.8
Qa
1.8k
1