Как снять правый корпус подшипника МКПП Транспортер Т4?
Volkswagen Transporter Transporter T4
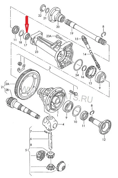
Возможно ли снять правый корпус подшипника коробки не снимая саму коробку?
Сильное биение правого фланца коробки(на глаз+_ 2-3мм) и течь масла из сальника(на 2500км 400гр), похоже разбит подшипник. Возможна ли замена подшипника не снимая коробку?
–
aleksan.mer
8 лет назад
1 Ответы
1
Если бы был разбит подшипник, там был бы слышен скрежет, писк, шум в общем. А при худшем сценарии — заклинила бы коробка.
Но возможно конечно и изношен подшипник. Если я правильно понял про модель вашей коробки передач, то речь идёт об игольчатом подшипнике, он в корпусе подшипника


Что бы поменять этот подшипник, не обязательно снимать всю коробку.
И как версия, в вашем случае, возможно сам фланец погнут. Масло течёт, потому что сальник изношен. Возможно течь связана с погнутостью фланца.
задан 8 лет назад
Похожие материалы
Шумит подшипник передней ступицы Транспортёр Т4
Qa
283
1
Замена втулки коробки передач Фольксваген Т4
Руководства
15.7k
31
0
Гудит подшипник передней ступицы Транспортёр Т4
Qa
2k
1
Скрежет при включении первой передачи Транспортер Т4
Qa
4.3k
3
Трясёт при трогании Транспортёр Т4
Qa
5k
1
Как поставить КПП Фольксваген Транспортер Т4?
Qa
4.4k
1