Замена резистора на печке Поло
Volkswagen Polo Polo IV
Не работают скорости вентилятора 1, 2, 3… четвёртая работает. Походу полетел резистор. Как самостоятельно поменять резистор на печке Volkswagen Polo?
1 Ответы
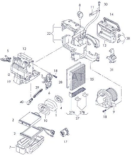
Если работает только 4-я скорость вентилятора печки то проблема с блоком резисторов, проверь его разъем и термопредохранитель на нем. Обычно от влаги корпус блока резистора трескается и выгорает проволока это замена, если окислился разъем, почистить/заменить сгнившие клеммы и все норм. Термопредохранитель должен пропускать ток, если нет нужно поменять вариатор (резистор) вентилятора печки, он располагается возле вентилятора отопителя (зеленого цвета), а установлена вся эта «лобуда» под пассажирской подушкой безопасности в торпеде. Меняется просто, нужно отсоединить разъем и вытащить резистор из креплений (ном по кат. 6Q0 959 263 A). То есть дабы заменить резистор печки нужно засунуть руку под бардачок, нащупываешь куда идут провода, отсоединяешь от него штекер с проводами, а потом и его вытаскиваешь, он крепится на защелках. Выглядит так:


Похожие материалы