Нужна схема вакуумной системы Хонда Прелюд 3
Honda Prelude Prelude III
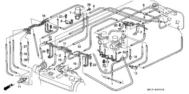
Доброго времени суток. Ищу схему установки и настройки вакуумной системы на Honda Prelude 3rd, двигатель B20A, дуал карб
2 Ответы
0
Автомобиль:
Модель: PRELUDE
Год: 1991
Тип кузова: 2 doors
КПП: 5MT
Двигатель: B20A4
Модификация: 2.0EX 4WS
Регион: KE
Опции: 4WS, Правый руль

задан 5 лет назад
0
Хонда Прелюд, в20а4, пожалуйста

задан 5 лет назад
Похожие материалы
Почему горит ошибка АБС: причины и решения
Статьи
492.6k
652
21
Смазка для суппортов и направляющих
Статьи
430.9k
194
5
Какие тормозные диски лучше
Статьи
377.1k
423
11
Как прокачать тормоза с АБС
Статьи
372.2k
316
27
Как прокачать тормоза
Статьи
334.1k
243
6
Замена тормозных колодок
Статьи
317.4k
169
2