Почему не идет питание на моторчик омывателя Пежо 206?
Peugeot 206 206
5 Ответы
1
1
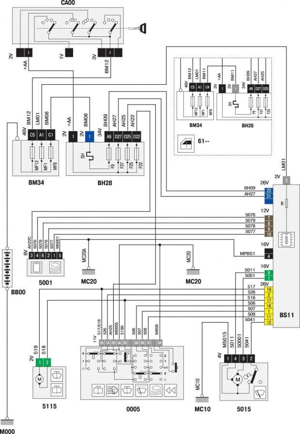
Нет отдельного предохранителя на омыватель. По схеме, предоставленной Caban325, обрыв провода либо неисправность включателя.
задан 11 лет назад
0
Предохранитель.
задан 11 лет назад
0
Смотрел, целые.
задан 11 лет назад
0
Предохранитель, обрыв цепи, выключатель, умер сам моторчик, проверить наличие питания на самом моторчике.
задан 11 лет назад
Похожие материалы
Не заводится Пежо 206
Qa
279
1
Крыша перестала реагировать на кнопку Пежо 206 СС
Qa
820
2
Ошибка P0008 после замены катушки зажигания в Пежо 206
Qa
2.9k
1
Ошибка Р0134 в Пежо 206
Qa
3.7k
2
Как настроить сигнализацию при подключении доводчиков стекол?
Qa
1.2k
1
Не заводится в минус десять Пежо 206
Qa
2.7k
2
