Выдавливает регулировочную гайку главной передачи в Москвиче
Москвич 2141 2141
Поменяли главную пару в коробке, собрали все. При езде появилось рычание. При осмотре оказалось, что выперло регулировочную гайку. Ту в которой сальник стоит фланца полуоси. Зажал, подтянул фиксатор. А она опять. Что может быть причиной???
1 Ответы
0
Что значит «выперло»?
Такое явление может быть только если там сорвана, слизана резьба. Если же с резьбой всё в порядке, значит гайка выкручивается, а это может быть только если она не застопорена. Может сорван болт стопора или сам стопор сломан?
Проверяйте то, и другое, и третье.



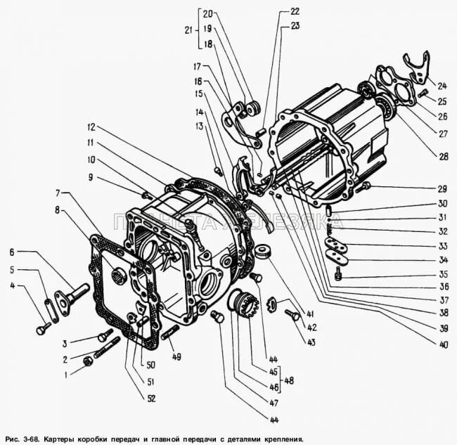
№45 — гайка; № 42 — стопор, и №43 его болт.
По регулировке, можете посмотреть здесь ссылка...
Или тут ссылка...
задан 8 лет назад
Похожие материалы
Скрежет при нажатии на педаль сцепления
Qa
4k
2
Скрежет когда выжимной прикасается к лепесткам корзины
Qa
1.7k
1
Корзина от ВАЗ, подходит движок ВАЗ?
Qa
1.4k
2
Снятие/замена коробки передач Москвич 2141
Видео
34.4k
18
1
Как заменить кулису КПП Москвич 2141?
Qa
7.2k
1
Подшипник из коленвала Москвич 21412
Qa
3k
2