Выкидывает жидкость из бачка при закрытии крана печки в Москвиче 21412
Москвич 2141 2141
Доброго времени суток. Закрываю кран печки, начинает выкидывать жидкость из бачка(через пару минут все происходит). Перед тем как выкидывать идёт воздух. Что это может быть? С открытым краном все работает как надо. Вентилятор включается при нормальной температуре(85-92).
2 Ответы
Проверьте проходимость канала малого круга. Похоже что с закрытием крана прекращается циркуляция и начинается кипение.
Насчёт того что сначала идёт воздух — тут как раз нет вопросов, сначала вытолкнулся воздух при подъёме уровня, а потом выталкивается ОЖ. Странно что уровень поднимается. Через основной радиатор циркуляция есть? при нагреве двигателя — нижний патрубок радиатора горячий? Может что-то с подсоединением шлангов напутано?
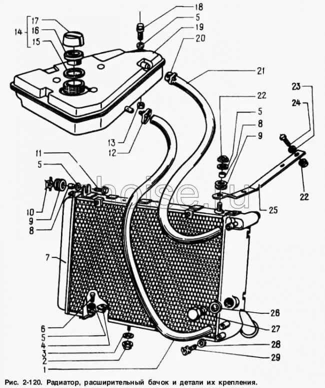
Вот посмотри как оно должно быть соединение радиатора с расширительным бачком

И тут тоже найдёшь много интересного про свой автомобиль