Какой ширины должен быть ремень ГРМ Пассат Б5 2.5 тди?
Volkswagen Passat Passat B5
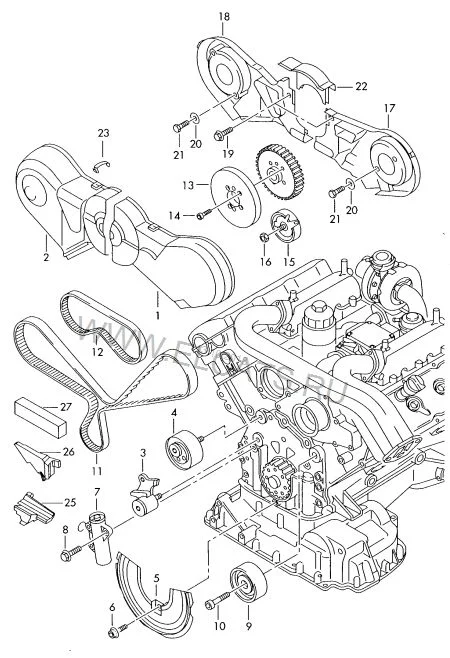
Двигатель 2.5 тди. Какой ширины должен быть ремень ГРМ, Deyco 32 идет, Contitech 30. В чем причина?
3 Ответы
AKN и AFB.

Так как эти моторы идентичны, то и ремни у них одинаковы. На ваш мотор конечно нужен шириной 32мм.
К примеру ремень генератора можно было бы поставить любого изготовителя, там ну если и порвётся через неделю, то установить новый ремень и опять катайся без последствий.
А вот с ремнём ГРМ шутки плохи, если установить некачественный ремень, и он вскоре порвётся, то последствия выльются в большой ремонт, в большие деньги, потому что там и клапана загнёт и ещё каких-нибудь бед наделается.
Не буду навязывать своё мнение. Почитайте отзывы о качестве ремней Здесь ...
и Тут ...
и Вот ...
и рассуждения по ремням VAG ... и другим производителям.
Оригинальный артикул ремня ГРМ VAG 059 109 119 A, он шириной 32 мм, судя по каталогу запчастей, артикул заменен на VAG 059 109 119 B, а его ширина 30 мм. Посмотрите на шестерни валов, какой след остался, сколько мм и есть ли запас в стороны по 2 мм (если след 30 мм будет).


На ваш «Volkswagen Passat» двигатель AKN, выпуска 2001г., устанавливался оригинальный ремень ГРМ с количеством зубьев 207шт. и шириной 32мм (артикул оригинала 059 109 119 A).
И именно на ЭТИ размеры и надо ориентироваться, если хотите воспользоваться аналогичным ремнём.
Аналоги могут идти на другой автомобиль, на другой двигатель, может даже просто на другой год выпуска, потому и размер бывает другой.
Ваш Vin-номер:
Обозначение модели PASSAT VARIANT
Дата производства 22.02.2001
Модельный год 2001
VIN WVWZZZ3BZ1E173620
Код модели 3B6282
Код двигателя AKN
Код КПП DQS
Похожие материалы