Сборка рулевого механизма TRW с гидроусилителем
Перед сборкой проверить корпус на наличие загрязнений (остатки лака, стружки, грязи) и при необходимости тщательно почистить:
- Во время сборки очень внимательно следить за чистотой;
- Проверить направляющую цилиндра на наличие задиров и прочих повреждений. Если задиры значительны, полностью заменить рулевой механизм;
- Проверить зубчатую рейку на наличие задиров;
- Перед установкой смазать уплотнительные кольца маслом для гидросистем;
- Проверить, чтобы внутри корпус тела клапана -2- был абсолютно чистым;
- Запрессовать до упора уплотнительное кольцо тела клапана;

- 1 - Уплотнительное кольцо;
- Уплотняющий скос -стрелка- направлен вверх к инструменту. Место установки уплотнительного кольца в корпусе тела клапана. Скос уплотняющего кольца -стрелка- направлен вверх;

Для лучшего представления на рис. верхняя часть клапана показана в разрезе. Установка внутреннего уплотнительного кольца зубчатой рейки.

- Насадить уплотнительное кольцо -1- на инструмент;
- Смазать уплотнительное кольцо -1- маслом;
- Уплотнительное кольцо -1- настолько запрессовать в трубку цилиндра, чтобы канавка -стрелка- на инструменте была накрыта кромкой -стрелка A- корпуса.
Место установки уплотнительного зубчатой рейки.

Опорное кольцо уплотнительного кольца направлено к корпусу тела клапана:
- 1 - Опорное кольцо;
- 2 - Уплотнительное кольцо;
- 3 - Корпус тела клапана.
Для лучшего представления на рис. корпус показан в разрезе. Если на зубчатой рейке заметны подверженные коррозии места или глубокие задиры, ее немедленно заменить.
Заключение о том, повреждена ли зубчатая рейка вследствие силового воздействия, например, из-за аварии, на основе такого визуального осмотра сделать нельзя.

Если на зубчатой рейке ощутимо заметны слабые задиры -стрелки-, глубина которых такова, что их можно убрать шлифовальной бумагой (зернистость 350…600), рейку можно использовать повторно:
- Обрабатывать зубчатую рейку шлифовальной бумагой в радиальном направлении. (Только при неглубоких задирах);

Проверить фаски на торцах зубчатой рейки на наличие повреждений, при необходимости устранить оселком и/или шлифовальной бумагой:
- 1 - Зубчатая рейка;
- 2 - Шлифовальная бумага (зернистость 350…600);
- 3 - Защитные губки тисков;
Если снятая рейка будет использована, проверить уплотнительное кольцо на наличие бороздок (визуальный осмотр). При заметных или существенных бороздах заменить это кольцо и расположенное за ним уплотнительное кольцо круглого сечения.
- Смазать зубчатую рейку маслом (защита от коррозии).
Замена уплотнительного кольца зубчатой рейки:

- Сжать клещами с малым усилием уплотнительное кольцо;
- Отжать это кольцо и уплотнительное кольцо круглого сечения;
- A - Распорные клещи (универсальные);
- 1 - Зубчатая рейка с поршнем;
- 2 - Уплотнительное кольцо;
- 3 - Уплотнительное кольцо круглого сечения;
Установка уплотнительного кольца на поршень зубчатой рейки:
- Насадить монтажную втулку на зубчатую рейку;
- Насадить уплотнительное кольцо круглого сечения на инструмент и вставить в канавку поршня;
- Смазать уплотнительное кольцо маслом, насадить на инструмент и вставить в канавку поршня;

Установка зубчатой рейки:
- Очистить зубчатую рейку и смазать (убрать старую смазку между зубьями);
- Смазать зубчатое зацепление рейки смазкой для рулевого механизма -A0F 063 000 04-;
- Насадить до упора защитную трубку на зубчатую рейку -1-;

- Полностью удалить избыточную смазку;
- Смазать поршень рейки и защитную трубку маслом для гидросистем;
- Вставить направляющую втулку -3315/22- в корпус;
- Вставить зубчатую рейку в корпус;
Во врема вставки проследить за тем, чтобы уплотнительное кольцо, без зажатия, вдавилось в канавку поршня.
- Медленно ввести зубчатую рейку в корпус;
- Снять защитную трубку -3315/13- с зубчатой рейки;
- Зубчатое зацепление рейки выровнять таким образом, чтобы оно было направлено к зацеплению шестерни;
- Навинтить монтажную втулку -3315/18- на зубчатую рейку и смазать маслом;

- Осторожно вставить через зубчатую рейку ее направляющую -1- в корпус до упора;
- Полностью вдвинуть зубчатую рейку в корпус, если этого еще не произошло;
- Вставить стопорную шайбу в корпус и вдавить настолько, чтобы канавка в стопорной шайбе была видима в удлиненном отверстии корпуса;
- Вставить стопорное кольцо в отверстие стопорной шайбы -стрелка-;
Втянуть контровочную проволоку путем вращения стопорной шайбы. (Докрутить стопорную шайбу после втягивания еще примерно на 1/2 оборота):
- 1 - Контровочная проволока, в ремонтном комплекте не в форме кольца, поставляется как прямолинейная проволока;
- 2 - Клещи (универсальные);
- Запрессовать осторожно нижний шарикоподшипник тела клапана до упора;

- Смазать смазкой для рулевых механизмов A0F 063 000 04;
- Навинтить монтажную выколотку -3315/15- на тело клапана;
- Смазать тело клапана маслом и осторожно вручную вставить в корпус тела клапана. (Учесть положение зубчатой рейки);

- Зубчатый обод тела клапана обклеить изолентой (например, изолентой на основе синтетической плёнки) для защиты уплотнительного кольца. Избегать образования складок;
- Установить верхний роликоподшипник тела клапана. (Надпись на роликоподшипнике направлена вверх);

- A - Изолента;
- B - Тело клапана;
- Запрессовать уплотнительное кольцо настолько, чтобы в корпусе была видна канавка стопорного кольца;

- Вставить стопорное кольцо;
- Снять клеящую пленку/изоленту;
- Отвинтить монтажную выколотку -3315/15-;
- Привинтить шестигранную гайку тела клапана и затянуть (30 Нм, придерживать гаечным ключом SW 14);
- Вкрутить резьбовую заглушку (40 Нм);
- Смазать упор смазкой для рулевых механизмов -A0F 063 000 04-;
- Вставить упор и пружину в корпус;
- Ввинтить контргайку с регулировочным винтом;

- Метки -стрелка- регулировочного винта и контргайки после затягивания должны быть согласованы. Если устанавливалась новая зубчатая рейка, отрегулировать рулевой механизм с усилителем с новой рейкой;
- Отрегулировать рулевой механизм в установленном состоянии;
- Очистить клеящие поверхности в области удлиненного отверстия растворителем (например, нитрорастворителем -L 160- или спиртом);
- Заполнить удлиненное отверстие герметиком -AKL 450 005 05-;
- Заклеить отверстие изолентой -1-;

Если заменялась зубчатая рейка, то перед установкой поперечных тяг отрегулировать рулевой механизм. Установить поперечные тяги:
- Зажать рулевой механизм с зубчатой рейкой в тисках и закрутить поперечную тягу;

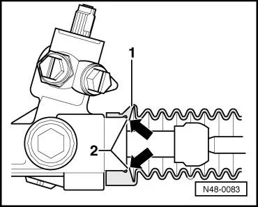
Место установки гофрированного чехла:

- 1 - Гофрированный чехол;
- 2 - Корпус;
При установке чехла проследить за тем, чтобы борт -стрелки- чехла прилегал к корпусу.
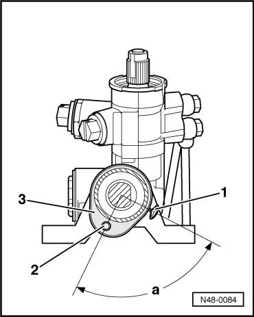
Место установки хомута:

- 1 - Хомут;
- 2 - Уравнительная трубка;
- 3 - Гофрированный чехол;
- a - около 90°;
- Обжать хомут клещами -V.A.G 1275-.

Был ли этот лайфхак полезным?
Ваш отзыв помогает нам улучшать контент.
Похожие материалы
Обсуждение (0)
Пока нет комментариев!