Ищем...

Замена помпы на Toyota Marino

10K
0
3

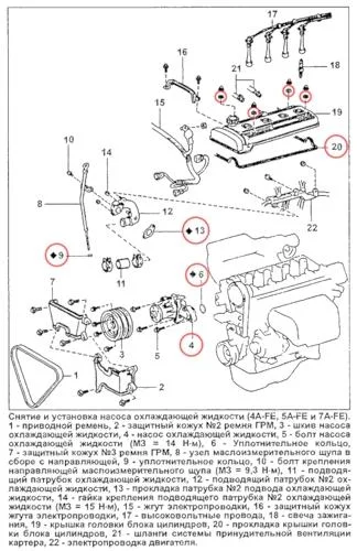
Для начала необходимо определиться с объёмом операции. Лучше всего замену помпы совмещать с заменой ремня ГРМ, поскольку у них очень много общих пунктов. И так же нужно решить, будет ли меняться помпа целиком, или только её внешняя половина, где находятся слабые места – сальник и подшипник. При замене целиком объёма работы чуть-чуть поменьше, но по цене помпа в сборе, естественно, дороже половинки.

Для выполнения данной работы мне потребовалось:

  1. Новая помпа — оригинал Toyota 16110-19205.
  2. В случае, если меняется только половинка помпы — нужна фигурная металлическая прокладка между двумя её половинками: Toyota 16124-16020.
  3. Кольцевое уплотнение между помпой и блоком двигателя: Toyota 96761-24035.
  4. Кольцевое уплотнение масляного щупа: Toyota 96721-19010.
  5. Прокладка между патрубком помпы и блоком двигателя: Toyota 16347-15010.
  6. Прокладка клапанной крышки: Toyota 11213-15071.
  7. Резинометаллические шайбы под гайки крепления клапанной крышки – 4 шт.: Toyota 90210-06010.
  8. Кольцевое уплотнение сливного краника радиатора: Toyota 96711-19007.

Перед началом работы нужно снять минусовую клемму от аккумулятора и слить антифриз.

Step 1
1

Антифриз давило из «технологического» отверстия, предусмотренного как раз на этот случай.

Step 2
2

Когда шкив бкдет откручен, но под натяжением приводного ремня помпы и генератора он может всё ещё удерживаться на ступице, поэтому снимаем ремень. Ослабляем верхний болт крепления генератора на «14», нижний стопорный болт на «12» – его сверху не видно, действуем наощупь. И крутим регулировочный болт на 12. Для ослабления ремня крутим его против часовой стрелки: покрутили, подаём генератор руками вниз, ремень ослабляется – и так несколько раз. Крутить придётся достаточно долго.

Step 3
3

Ослабили ремень – снимаем его со шкива генератора, с остальных шкивов, и убираем. Теперь шкив помпы свободно болтается между ступицей и лонжероном – пусть так и висит, дальнейшей работе он не мешает. Если вы снимали подушки и поддомкрачивали двигатель, то, возможно, получится вынуть шкив. Откручиваем два оставшихся нижних болта (на 10) крепления средней крышки защиты ремня ГРМ и извлекаем крышку, проводя её справа, рядом с генератором. Доступ к нижним болтам крышки затруднён – тут потребуется ловкость рук и подходящий инструмент. Возможно, придётся выкрутить верхний регулировочный болт натяжного ролика ремня привода насоса кондиционера.

Step 4
4

Начинаем с откручивания верхнего патрубка помпы, предварительно отсоединив разъём датчика указателя температуры ОЖ (жёлтая стрелка) и болт крепления пластикового чехла, удерживающего жгут электропроводки (зелёная стрелка). Откручиваем две гайки на 12 с фланца патрубка (красные стрелки).

Step 5
5

Открутили гайки верхнего патрубка, пока его оставляем, как есть и начинаем откручивать корпус помпы от двигателя.Три болта на 12. Порядок откручивания не важен. Возможно, сначала придётся подорвать болты каким-то более мощным ключом, и потом уже крутить трещоткой.

Step 6
6
Step 7
7

До третьего (нижнего) болта сверху добраться скорее все не получится, по этому придется действовать из ямы.

Step 8
8

Теперь вынимаем помпу в сборе с верхним патрубком.Снимаем фланец патрубка со шпилек, вытягиваем помпу влево.

Step 9
9

Потом вытягиваем аккуратно вверх, при этом освободится шкив помпы, вытаскиваем его тоже. Вынутая помпа с патрубком (шкив у вас уже должен быть снят, и половинка помпы у меня уже новая тут стоит).

Step 10
10

Далее, если у вас целая новая помпа, нужно отжать хомуты и отсоединить резиновый патрубок.

Step 11
11

Откручиваем, аккуратно разъединяем половинки. Скорее всего, придётся ножом подлазить в щель и частично срезать прикипевшую прокладку, аккуратнее.

Step 12
12

Шкив крепится к ступице помпы четырьмя болтами на 10.

Step 13
13

Для сравнения половинка новой помпы GMB.

После очистки, предварительно установив прокладку, соединяем половинки помпы, закручиваем болты.

Step 14
14

Собрали. Устанавливаем собранную помпу вместе с патрубком на место.Предварительно нужно снять старые, и поставить два новых уплотнения – металлическую фигурную прокладку в месте подсоединения патрубка к блоку и резиновое кольцо в месте прикручивания самой помпы к блоку.

Step 15
15

Новая и старая прокладки.

Step 16
16

Уплотнительные кольца: старое «выкорчеванное» из блока, новое из комплекта GMB, новое оригинал.

Step 17
17

Старое кольцо достаточно сложно извлечь – там паз на блоке, оно в нём утоплено.

Ставить лучше оригинальное колечко, предварительно хорошенько очистив паз.

Step 18
18

Прикручиваем помпу (без шкива!) с патрубком к блоку двигателя.

Step 19
19

Прикручиваем защитные крышки ремня ГРМ. Прикручиваем шкив помпы к ступице – без накинутого приводного ремня болты нормально не закрутить, поэтому закручиваем руками и одеваем ремень. Только после этого, удерживая ремнём шкив от прокручивания, затягиваем болты окончательно.

Step 20
20

Окончательное натяжение ремня

Step 21
21

Устанавливаем на место сборку масляного щупа.Вдев новую прокладку в паз крышки, и смазав плоскость под прокладку термостойким герметиком в нескольких местах, устанавливаем клапанную крышку на место.

Step 22
22

Прикручиваем крышку через новые уплотнительные маслозащитные шайбы.Слева – новая, справа – старая.

Соединяем все трубки, разъёмы, заливаем антифриз (предварительно меняем резиновое уплотнительное колечко на кранике радиатора снизу).Подсоединяем аккумулятор. Заводим, смотрим на наличие потёков.Если всё нормально — глушим, даём подостыть, если долго гоняли двигатель, доливаем антифриз.

Step 23
23

Откручиваем защитный кожух проводки от крышки, два болта.

Step 24
24
Step 25
25

Расположение сливных отверстий

Step 26
26

Сначала сливаем из радиатора. Снимаем крышку.

Step 27
27

Краник слива находится изнутри снизу радиатора

Step 28
28

Подставляем снизу подходящую ёмкость, открываем краник

Step 29
29

Далее сливная пробка на блоке цилиндров. Находится между масляным фильтром и датчиком давления масла, доступ к ней весьма затруднён.

Step 30
30

Весь объём ОЖ не сольётся, но для справки привожу табличку.

Step 31
31

Пока ОЖ сливается, начинаем снимать верхнюю крышку двигателя. Это необходимо для снятия верхней и средней крышек защиты ремня ГРМ, что, в свою очередь, позволит открутить правый болт крепления помпы к блоку и снять её. Успех всей операции во многом зависит от наличия нужного инструмента. Фигурные накидные ключи, торцевые головки на 10, 12, 14, маленькая качественная трещотка с удлинителями, карданчик – необходимый набор.

Step 32
32

Снимаем клапанную крышку. Сначала аккуратно вынимаем свечные провода.

Step 33
33

Отсоединяем два шланга вентиляции картера.

Step 34
34
Step 35
35

Проводку полностью отсоединять не обязательно, достаточно открутить под резиновым чехлом одну гайку на 10 с генератора – уже будет достаточная слабина, чтобы убрать проводку в сторону.

Step 36
36

Откручиваем четыре гайки крепления крышки к двигателю.

Step 37
37

Под гайками шайбы. Если прикипели – аккуратно чем-нибудь отковыриваем. После тянем вверх за крышку маслозаливной горловины и боковую часть, где была проводка. Если не идёт – аккуратно с помощью деревянного бруска и молотка оббиваем крышку по периметру, где возможно.Снимаем. Сначала немного приподнимаем левую часть, даем немного стечь маслу, поскольку на внутренней поверхности крышки его достаточно много, поднимаем правую часть, переворачиваем, не допуская потёков масла с крышки, и убираем крышку куда-нибудь на газетку.

Step 38
38

Можно оценить состояние распредвалов и ремня ГРМ.

Step 39
39

Далее нужно снять верхнюю крышку защиты ремня ГРМ, четыре верхних болта на 10 на рисунке.

Step 40
40

После снятия верхней крышки защиты клапанную крышку лучше временно надеть обратно на двигатель, чтобы в масло не попадало лишнего мусора и пыли.Снятию средней крышки защиты мешает приводной ремень помпы и генератора, а также шкив помпы. Перед ослаблением и снятием ремня нужно открутить шкив помпы от ступицы, иначе потом, при снятой помпе открутить шкив, когда его ничто не удерживает от вращения, будет гораздо сложнее. Шкив надо снимать в любом случае, поскольку с установленным шкивом помпу вынуть не получится.

Step 41
41

Предварительно подготавливаем место: отсоединяем разъём на проводе сверху, снимаем масляный щуп (болт на 10) – сначала вынимаем сам щуп, потом откручиваем трубку щупа и вытягиваем её вверх.

Step 42
42

Можно сразу заменить колечко на трубке. Вероятно, для этого придётся хорошенько её очистить.

Step 43
43

Ослабляем левый болт на «14» в пазу регулировки ГУРа, снимаем кронштейн удерживания ГУРа (два толстых болта на 14). Снимаем ремень и отодвигаем всё это хозяйство ГУРа влево. Если ГУР не имеет свободного хода вращения на своём нижнем кронштейне – незадача, придётся ослаблять болт на нижнем кронштейне.

Step 44
44

Сверху у меня до него добраться не получалось, откручивал снизу, из ямы. Хотя ремень можно снять и без этого, но потом, при установке ремня всё-равно придётся регулировать его натяжение.

Было ли это руководство полезным?

Ваш отзыв помогает нам улучшать контент.

Не нашли ответ на свой вопрос?
Спрашивайте в комментариях. Ответим обязательно!

Обсуждение (3)

Войдите, чтобы оставить комментарий!
Войти

Сергей Ким Сергей Ким

Все было с маринкой хорошо, пока не появился подозрительный скрип в области помпы и изредка — капельки антифриза на помпе. Когда разобрал, обнаружил, что это крыльчатка помпы скрипела о корпус. Заменил на новую помпу (GMB).

Konstantine  Nasaraia Konstantine Nasaraia

Не так уж и сложно это-подумал я и вызвался сам сменить помпу. Не тут то было. Позвал сына на помощь и когда этого не хватило, позвонил соседу. Он мастер на все руки и управился довольно легко за вполне короткий срок. По ходу объяснял технические детали из которых я так ничего и не понял кроме одного- чинить машины не мое призвание и никогда этому не научусь. .

Артём Волков Артём Волков

Всем добрый день. Замена помпы,это тебе не свечу поменять. Это посерьезнее будет. Я недавно сталкивался с ее заменой. Сам бы я,конечно не рискнул этого сделать. Но за фотоотчет спасибо !