Где датчик температуры всасываемого воздуха в Ауди А6 аллроад С5 2.7?
Audi A6 allroad A6 allroad (C5)
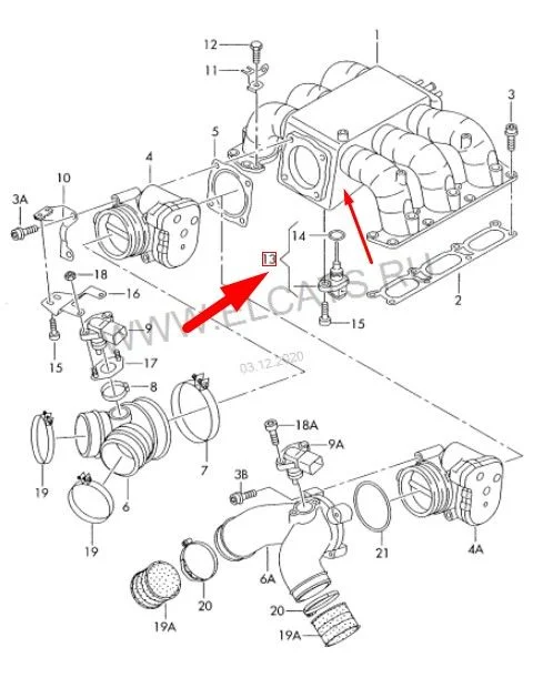
Добрый день! Подскажите пожалуйста, где находится датчик температуры всасываемого воздуха на автомобиле Ауди А6 аллроад С5, двигатель 2.7, турбо?
1 Ответы
1
Напишите вин номер для перепроверки. Указал на схеме.


Или стоит в расходомере воздуха, смотря какая модель двигателя.



задан 5 лет назад
Хотя емекс показывает и расходомер воздуха, проверьте визуально, что стоит на авто.
–
Михаил Самсонов
5 лет назад
Похожие материалы
Какие показания ДМРВ на холостом ходу Ауди А6 С5?
Qa
1k
0
Падает стрелка температуры в Ауди Олроуд
Qa
910
2
Какой артикул датчика афтеркулинга Ауди А6 Ц5?
Qa
2.2k
1
Где стоит датчик ОЖ Ауди Ц5 2.7Т?
Qa
9.9k
2
За что отвечает каждый из датчиков ОЖ Ауди А6 С5 2.7?
Qa
2.9k
1
Замена прокладки нижней части поддона на Audi Allroad 2,5 TDI AKE
Руководства
19.4k
22
2