Ошибка P0504: что значит, почему возникает
Диагностический код неисправности P0504 расшифровывается как рассогласование сигналов датчиков 1 и 2 педали тормоза или Brake Switch A/B Correlation. Появляется при поступлении в ЭБУ противоречивых сведений о текущем положении педали тормоза.
Чаще всего ошибка P0504 фиксируется в Lada (Kalina, Granta, Priora,Vesta, Largus), Datsun (On-DO, mi-DO), Renault (Logan, Duster), Toyota (Corolla, Land Cruiser Prado) и других моделях, в которых данная информация на контроллер передается от четырехконтактного выключателя стоп-сигналов.

О том, почему возникает ошибка Р0504, как найти и устранить причину расхождения сигналов датчиков тормоза, расскажем в этой статье.
Признаки неисправности и условия появления кода DTC Р0504
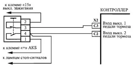
К формированию DTC Р0504 приводит поступление в электронный блок управления определенных сигналов от концевого выключателя стоп-сигналов, также известного под названием «лягушка». В ряде автомобилей, в частности, моделей Lada с электронной педалью акселератора, в его корпусе совмещены две пары контактов: нормально замкнутый – положения педали тормоза и нормально разомкнутый – цепи стоп-сигнала. При нажатии педали первый контакт размыкается, а второй замыкается.
Информация о состоянии обоих контактов поступает в ЭБУ. Если их значение не соответствует друг другу, например, оба контакта замкнуты или разомкнуты, либо одновременно с информацией о выжатой педали тормоза фиксируется нажатие педали акселератора – возникает ошибка Р0504.
Так как данный алгоритм обеспечивает безопасность эксплуатации автомобиля, неисправности системы E-газ, при многократном расхождении сигналов от датчиков положения педалей тормоза и акселератора, двигатель может перейти в аварийный режим работы.
Поэтому совместно с кодом ошибки Р0504 могут проявляться определенные симптомы:

Расшифровка ошибки P0504 в диагностической программе
- Стоп-сигнал светится постоянно или не светится при нажатии педали тормоза.
- Не активируется круиз-контроль.
- Ухудшается динамика, обороты двигателя не поднимаются выше 1250–1500 в минуту и/или падают до холостых при разгоне, мотор глохнет или не заводится.
- На автомобилях с АКПП возможны проблемы с изменением положения селектора.
- Загорается индикатор Check Engine на приборной панели (обычно при многократной фиксации ошибки).
Причины рассогласования сигналов датчика тормоза и их устранение
В большинстве случаев ошибка Р0504 возникает из-за неисправности концевого выключателя стоп-сигнала или его неправильной регулировки (если таковая требуется). Однако сбой возможен и при перегорании или установке нештатных ламп в задних фонарях. Основные причины рассогласования сигналов датчиков тормоза и способы их устранения рассмотрены в таблице.
| Причины и способы устранения ошибки Р0504 | ||
| Неисправный элемент | Причина выхода из строя | Как устранить |
|---|---|---|
| Концевой выключатель стоп-сигнала («лягушка») | Неверная регулировка | Отрегулировать положение таким образом, чтобы шток при отпущенной педали полностью утапливался в корпус |
| Ослабла или сломана пружина | Заменить пружину либо поменять сам датчик | |
| Подгорели или окислились контакты | Зачистить контактные пластины наждачной бумагой или надфилем либо полная замена концевика | |
| Лампы стоп-сигналов | Перегорела нить накала | Заменить лампу |
| Установлены нештатные лампы с меньшим сопротивлением, например, светодиодные | Добавить в цепь резистор, заменить на лампы с обманкой или на штатные | |
| Предохранитель | Перегорел предохранитель цепи стоп-сигнала | Заменить предохранитель, при повторном перегорании проверить цепь на КЗ |
| Цепь между концевым выключателем, ЭБУ, стоп-сигналами и АКБ | Обрыв проводов, повреждение изоляции или контактных клемм | Визуально проверить целостность проводов и контактов, прозвонить проводку тестером или контрольной лампой |
| ЭБУ | Повреждение контактов, выход из строя элементов на плате контроллера | Заменить контакты и неисправные компоненты |
После устранения причины неисправности необходимо сбросить код ошибки Р0504 с помощью диагностического сканера и специального приложения, в противном случае двигатель может продолжать работать в аварийном режиме.
Порядок диагностики при появлении ошибки Р0504
Для проведения некоторых диагностических операций при появлении ошибки Р0504 необходимы мультиметр или контрольная лампа. В случае отсутствия помощника для проверки срабатывания концевого выключателя и состояния ламп стоп-сигнала можно подъехать к стене так, чтобы свет стоп-сигналов был виден в зеркалах.
- Проверьте стоп-сигналы несколько раз нажав и отпустив педаль тормоза. Лампы должны загораться при утапливании педали тормоза на 2–3 см и гаснуть при отпускании. Мигание или мерцание указывает на плохой контакт, а периодическое несрабатывание – на неправильную регулировку или износ концевого выключателя.
- Если лампы не светятся при нажатой педали, убедитесь в том, что предохранитель цепи стоп-сигналов не перегорел.
- Осмотрите разъем концевого выключателя, убедитесь в его фиксации, отсутствии внешних повреждений.
- Проверьте концевой выключатель стоп-сигналов и его регулировку. Подробно порядок проверки разобран в следующем разделе.
- Проверьте поступление питания на датчик с помощью мультиметра или контрольной лампы. На один из выводов должно постоянно подаваться питание 12 В. Для определения соответствующего контакта воспользуйтесь электрической схемой автомобиля. При отсутствии питания последовательно проверьте соответствующую цепь.
- При наличии питания и исправном датчике проверьте поступление сигналов при нажатой и отпущенной педали на соответствующие контакты ЭБУ с помощью мультиметра. Их наличие указывает на неисправность контроллера.
Проверка, ремонт и регулировка выключателя стоп-сигналов на автомобилях разных марок
Внутри четырехконтактного выключателя тормозов расположены две пары контактов, состояние которых зависит от положения штока: при полностью утопленном и полностью выдвинутом одна пара всегда замкнута – сопротивление близко к нулю, другая разомкнута – сопротивление несколько кОм и более. Если по каким-то причинам контактная группа не работает должным образом, возникает ошибка Р0504.
Проверка выключателя стоп-сигналов
Проверка выключателя стоп-сигналов сводится к прозвонке выводов пары контактов в обычном положении – при выдвинутом штоке и при его утапливании, имитирующим нажатие педали тормоза. Нормальное состояние контактов исправного выключателя для некоторых популярных моделей приведено в таблице ниже.
| Модель | Состояние контактов | |
|---|---|---|
| Шток утоплен | Шток выдвинут | |
| Toyota Rav4 | 3–4 замкнуты 1–2 разомкнуты | 3–4 разомкнуты 1–2 замкнуты |
| Lada (Priora, Kalina и Granta, 4х4) Datsun (on-DO, mi-DO) Газель Next, Бизнес | 1–4 разомкнуты 2–3 замкнуты | 1–4 замкнуты 2–3 разомкнуты |
| Lada (Largus, Vesta, XRAY)Renault (Logan, Duster) | 3–4 разомкнуты 1–2 замкнуты | 3–4 замкнуты 1–2 разомкнуты |
Если проверка показала, что контакты замыкаются и размыкаются должным образом, ошибка Р0504 может быть связана либо с неверной регулировкой выключателя стоп-сигналов (требуется не во всех моделях) либо с неисправной проводкой и другими вышеперечисленными причинами. При несоответствии показаний мультиметра с параметрами исправного выключателя его необходимо заменить или отремонтировать.
Ремонт концевика педали тормоза

Диагностика и ремонт выключателя стоп-сигналов: видео
Две основные причины выхода из строя концевого выключателя стоп-сигналов: окислившиеся или или подгоревшие контакты и поломка или ослабление пружины. Косвенным признаком второй проблемы является малый ход штока по сравнению с исправным или его свободный ход.
Для ремонта концевик необходимо демонтировать. Для этого в первую очередь следует отсоединить разъем, отжав фиксатор. В некоторых автомобилях, например, Lada Kalina и Granta, для этого необходимо открутить крепежную гайку, в других, например, Lada Largus и Vesta, достаточно повернуть его корпус против часовой стрелки на 90 градусов и вывести из отверстия.
Далее следует разобрать корпус датчика, который крепится на защелках, после чего осмотреть состояние пружины и контактов. Окислившиеся или подгоревшие контакты можно зачистить наждачной бумагой и обработать обезжиривателем. Сломанную пружину нужно заменить на новую аналогичной длины (для устанавливаемого на автомобилях Лада выключателя 1118-3720010 подойдет пружина диаметром и высотой 6–8 мм), а ослабленную можно попробовать растянуть, однако поможет это лишь на время.

Замена и регулировка концевика: видео
Регулировка “лягушки” педали тормоза
Ошибка Р0504 в Lada (Priora, Kalina и Granta, 4х4), Datsun (on-DO, mi-DO), Газель Next, Бизнес с концевиком старого типа (артикул 1118-3720010) и ряде других моделей с выключателем стоп-сигналов аналогичной конструкции, может быть связана с его неправильно регулировкой. В данном случае “лягушка” крепится на кронштейне педали тормоза с помощью пары гаек.
Правильным считается положение, при котором зазор между наконечником штока и корпусом выключателя не превышает 0,5-1 мм при невыжатой педали тормоза. При большем расстоянии воздействия специального прилива на педали недостаточно для того, чтобы утопить шток до замыкания и размыкания соответствующих контактов.
Выключатели нового типа, фиксирующиеся на кронштейне без гайки (извлекаются поворотом корпуса), в частности устанавливаемые на некоторых автомобилях Lada (артикул 21700372001000) и Renault (артикул 8200168238), являются саморегулируемыми. Перед их установкой достаточно выдвинуть ребристый шток, который сам займет правильное положение после монтажа.

Концевой выключатель нового типа

Регулировка концевика нового типа: видео
На концевике есть грибок с шляпкой, который выпирает максимально. После установки концевого выключателя, необходимо потихоньку отпускать педаль, чтобы она вернулась наверх. Так педаль защелкнет столько делений, сколько ей необходимо.
Была ли эта статья полезной?
Ваш отзыв помогает нам улучшать контент.
Похожие материалы

Обсуждение (0)
Пока нет комментариев!